![]()
Bestellen nach
und Ihr Produkt wird versendet
In Stock: 20/PZ
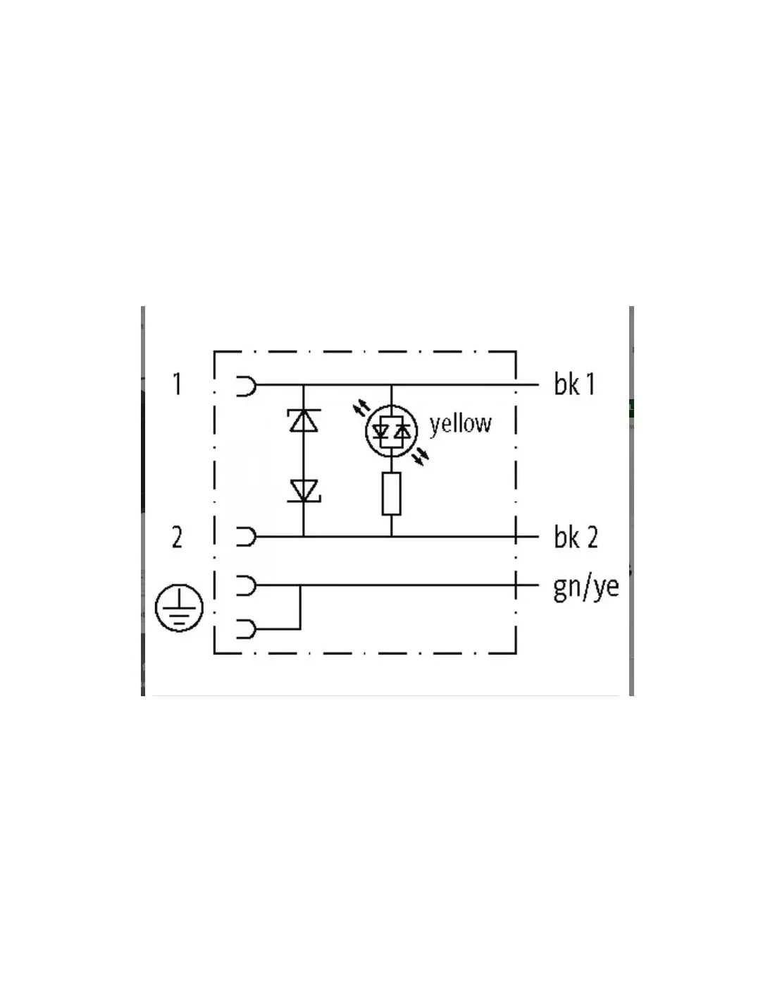
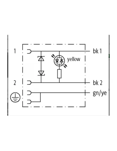
TECHNISCHE DATEN Betriebsspannung 24 V AC ±20 % // DC ±25 % Spitzennennspannung 0,8 kV Betriebsstrom pro Kontakt max. 4 A Stromaufnahme max. 15 mA Materialgruppe IEC 60664-1, Kategorie I Abschaltspitze max. 55 V Verzögerung Zeit bei Ausfall max. 20 ms Gelbe LED-Anzeige Steckerverriegelung M3 (Anzugsdrehmoment 0,4 Nm) Schutzart IP67 bei eingestecktem und verriegeltem Stecker (EN 60529) Verriegelungsmaterial Stahl (verzinkt) PBT-Material Gehäuse Kunststoff, schwarz (grau auf Anfrage) Zusätzlich Suppressordiode//Zenerdiode ALLGEMEINE DATEN Verschmutzungsgrad 3 Material (Dichtung) PUR Temperaturbereich -25 85 °C, je nach Kabelqualität KABEL-Nr.//Aderdurchmesser 3× 0 75 mm² Aderisolation PP (ne num, ve-gia ) Energiekettenwerte 10 Mio. Material (Beschichtung) PUR (UL//CSA) Außen-Ø 5 9 mm ±5 % Biegeradius (mobil) 10× Außen-Ø Temperaturbereich (fest) -40 80 °C Temperaturbereich (mobil). ) -25 80 °C Kabelkennzeichnung 236 Kabeltyp 3 (PUR) Zertifizierungen (Kabel) cURus (AWM-Style 20549//10493); CE-konform Kabelgewicht [G//m] 56,10 Material (Kabel) Kupferkabel, unbeschichtet Widerstand (Leiter) max. 26 O//km (20 °C) Ø starrer Draht (Leiter) 0 15 mm Struktur (Leiter) 42 × 0 15 mm (Mehrleiterdraht der Klasse 6) Durchmesser (Leiter) 3× 0,75 mm² AWG ähnlich AWG 18 Material (Aderisolierung) PP Materialeigenschaften (Aderisolierung) Frei von FCKW, Halogenen, Cadmium, Silikon und Blei Shore-Härte ( Aderisolation) 70 ±5 D Ader-Ø inkl. Isolierung 1 85 mm ±5 % Farbe//Anzahl der Adern nummeriert, Längsstreifen Aderkombination 3 geflochtene Adern Schirmung nein Material (Mantel) PUR Materialeigenschaften (Mantel) ) FCKW-frei, Halogen, Cadmium, Silikon und Blei, opak, geringe Klebrigkeit, leicht zu verarbeiten, abriebfest, hydrolyse- und mikrobenbeständig Härte (Beschichtung) 90 ±5 A Außen-Ø (Beschichtung) 5 9 mm ±5 % Farbe (Beschichtung) grau Chemisch Beständigkeit gute Beständigkeit gegen Öle, Benzin und Chemikalien (EN 60811-404) Nennspannung 300 V AC Prüfspannung 2500 V AC Strombelastung nach DIN VDE 0298-4 Temperaturbereich (fest eingestellt) - 40 80 °C, ( 90 °C bei max. 10.000 Betriebsstunden) Temperaturbereich (mobil) -25 80 °C, (90 °C bei max. 10.000 Betriebsstunden) Biegeradius (fest) 5× Außen-Ø Biegeradius (mobil) 10× Außen-Ø Anzahl der Zyklen (Kabelführung) max. 10 Mio. (25 °C) Geschwindigkeit (C-Kabelführung) max. 3 m//s Beschleunigung (C-Kabelführung) max. 10 m//s² Torsionsbeanspruchungen ±180°//m Anzahl der Zyklen max 2 Mio. (25 °C) Torsionsgeschwindigkeit 35 Zyklen//min Farbe grau

