![]()
Bestellen nach
und Ihr Produkt wird versendet
In Stock: 34/PZ
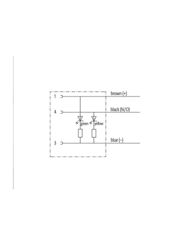
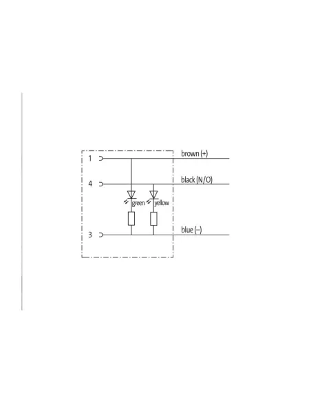
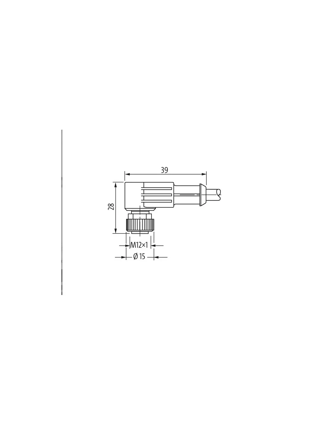
TECHNISCHE DATEN Betriebsspannung 24 V DC ±25 % Betriebsspannung (nur UL-gelistet) 30 V DC Nennspitzenspannung 0,8 kV Betriebsstrom pro Kontakt max. 4 A Materialgruppe IEC 60664-1, Kategorie I Codierung A-Code LED-Anzeige (gelb). //grün) Steckerverriegelung Gewinde (M12×1 mm) Anzugsdrehmoment 0,6 Nm) selbstsichernde M12-Kabelverschraubung (SW13) Schutzart IP65, IP66K, IP67 bei gestecktem und verriegeltem Stecker (EN 60529) Material PUR Klemmmittelmaterial Zinkdruckguss, matt vernickelt, passend für Rohr (Innen-Ø) 10 mm ALLGEMEINE DATEN Normen DIN EN 61076-2-101 (M12) Befestigungsart gesteckt, verriegelt Material (Klemmen) Kupferlegierung Material (Flächenkontakt) Au Material (Dichtung) FKM Verschmutzungsgrad 3 Abisolierlänge (Mantel) 20 mm Temperaturbereich -25 85 °C, je nach Kabelqualität KABEL-Anzahl//Aderdurchmesser 3× 0,34 mm² Aderisolierung PVC (ma, bl, ne) Außen-Ø 4 6 mm ±5 % Kabelkennzeichnung 213 Kabeltyp 1 (PVC) Zertifizierungen (Kabel) UL (AWM-Style 2464//1731), CSA Kabelgewicht [G//m] 34,1 g Material (Draht) Kupferdraht, blank Widerstand (Leiter) max. 60 O//km (20 °C) Ø Massivdraht (Leiter) 0,15 mm Aufbau (Leiter) 19× 0,15 mm (Mehrdrahtkabel) Klasse 5) Durchmesser (Leiter) 3× 0,34 mm² AWG ähnlich AWG 22 Material (Aderisolierung) PVC Materialeigenschaften (Aderisolierung) Frei von FCKW, Cadmium, Silikon und Blei Shore-Härte (Aderisolierung) 45 ±5 D Ø Kabel inkl. Isolierung 1 25 mm ±5 % Farbe//Nummer Anzahl der Kabel ma, ne, bl Aderkombination 3 verdrillte Kabel Schirmung nein Material (Mantel) PVC Materialeigenschaften (Mantel) Frei von FCKW, Cadmium, Silikon und Blei Härte (Mantel) 85 ±5 A Außen-Ø (Mantel) 4 6 mm ± 5 % Farbe (Mantel) grau Farbe grau Kabelbedruckung - Chemische Beständigkeit gute Beständigkeit gegen Öle, Benzin und Chemikalien Nennspannung UL 300 V AC Prüfspannung 2000 V AC Strombelastung nach DIN VDE 0298-4 Temperaturbereich (fest) -30 80 °C Temperaturbereich (fest) -30 80 °C Temperaturbereich (mobil) -5 80 °C Temperaturbereich (mobil) -5 80 °C Biegeradius (fest) 5× Ø außen Biegeradius (beweglich) 10× Ø Außenbiegeradius (beweglich) 10× Ø Außenmaterial (Beschichtung) PVC (UL//CSA)

