![]()
Bestellen nach
und Ihr Produkt wird versendet
In Stock: 11/PZ
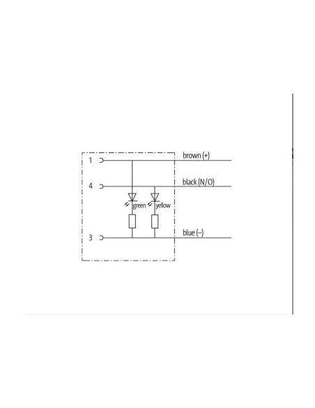
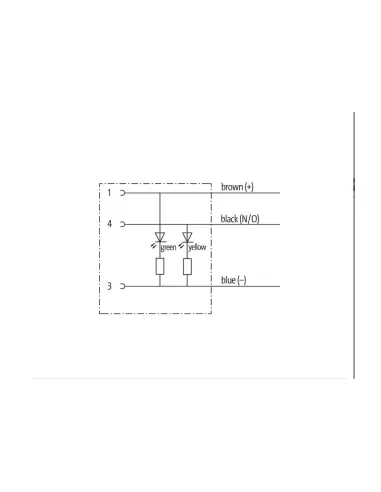
TECHNISCHE DATEN Betriebsspannung 24 V DC ±25 % Betriebsspannung (nur UL-gelistet) 30 V DC Nennspitzenspannung 0,8 kV Betriebsstrom pro Kontakt max. 4 A Materialgruppe IEC 60664-1, Kategorie I Codierung A-Code LED-Anzeige (gelb). //grün) Steckerverriegelung Gewinde (M12×1 mm) Anzugsdrehmoment 0,6 Nm) selbstsichernde M12-Kabelverschraubung (SW13) Schutzart IP65, IP66K, IP67 bei gestecktem und verriegeltem Stecker (EN 60529) Material PUR Klemmmittelmaterial Zinkdruckguss, matt vernickelt, passend für Rohr (Innen-Ø) 10 mm ALLGEMEINE DATEN Normen DIN EN 61076-2-101 (M12) Befestigungsart gesteckt, verriegelt Material (Klemmen) Kupferlegierung Material (Flächenkontakt) Au Material (Dichtung) FKM Verschmutzungsgrad 3 Abisolierlänge (Mantel) 20 mm Temperaturbereich -25 85 °C, je nach Kabelqualität KABEL Kabelkennzeichnung 633 Kabeltyp 3 (PUR) Zertifizierungen (Kabel) cURus (AWM-Style 20549//10493) ; CE-konform Kabelgewicht [G//m] 29,7 g Material (Kabel) Kupferkabel, freigelegt Widerstand (Leiter) max. 57 O//km (20 °C) Ø starrer Draht (Leiter) 0,1 mm Struktur (Leiter) 42× 0,1 mm (Mehrleiterdraht der Klasse 6) Durchmesser (Leiter) 3× 0,34 mm² AWG ähnlich AWG 22 Material (Aderisolierung) PP Materialeigenschaften (Aderisolierung) Frei von FCKW, Halogenen, Cadmium, Silikon und Blei Shore-Härte (Aderisolation) 70 ±5 D Ader-Ø inkl. Isolierung 1 25 mm ±5 % Farbe//Anzahl der Adern ma, ne, bl Aderkombination 3 geflochtene Adern Schirmung nein Material (Mantel) PUR Materialeigenschaften (Mantel) FCKW-frei, Halogene, Cadmium, Silikon und Blei, opak, geringe Klebrigkeit, leicht zu verarbeiten, abriebfest, hydrolyse- und mikrobenbeständig Härte (Beschichtung) 90 ±5 A Außen-Ø (Beschichtung) 4 1 mm ±5 % Farbe (Beschichtung) schwarz Chemisch Beständigkeit gute Beständigkeit gegen Öle, Benzin und Chemikalien (EN 60811-404) Nennspannung 300 V AC Prüfspannung 2500 V AC Strombelastung nach DIN VDE 0298-4 Temperaturbereich (fest) -40 80 °C, ( 90 °C bei max. 10.000 Betriebsstunden) Temperaturbereich (mobil) -25 80 °C, ( 90 °C bei max. 10.000 Betriebsstunden) Biegeradius (fest) 5× Außen-Ø Biegeradius (Schrank) 10× Außen-Ø Anzahl der Zyklen ( (Kabelführung) max. 10 Mio. (25 °C) Geschwindigkeit (C-Kabelführung) max. 3 m//s Beschleunigung (C-Kabelführung) max. 10 m//s² Torsionsspannungen ±180° //m Anzahl der Zyklen max. 2 Mio (25 °C) Torsionsgeschwindigkeit 35 Zyklen//min

