Murr elektronik 7000123816330500 coudé femelle m12 avec câble
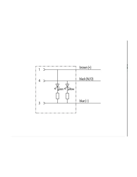
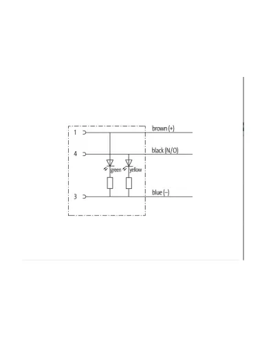
DONNÉES TECHNIQUES Tension de fonctionnement 24 V DC ±25 % Tension de fonctionnement (listé UL uniquement) 30 V DC Tension de crête nominale 0,8 kV Courant de fonctionnement par contact max 4 A Groupe de matériaux CEI 60664-1, catégorie I Codage Code A Indicateur LED (jaune //vert) Verrouillage du connecteur Filetage (M12×1 mm) couple de serrage 0,6 Nm) presse-étoupe M12 autobloquant (SW13) Degré de protection IP65, IP66K, IP67 avec connecteur inséré et verrouillé (EN 60529) Matériau PUR Matériau du dispositif de serrage Zinc moulé sous pression, nickelé mat adapté pour conduit (Ø intérieur) 10 mm DONNÉES GÉNÉRALES Normes DIN EN 61076-2-101 (M12) Type de fixation insérée, verrouillée Matériau (colliers) Alliage de cuivre Matériau (contact superficiel) Au Matériau (joint) FKM Degré de pollution 3 Longueur de dénudage (gaine) 20 mm Plage de température -25 85 °C, selon la qualité du câble CÂBLES Identification du câble 633 Type de câble 3 (PUR) Certifications (câble) cURus (AWM-Style 20549//10493) ; Conforme CE Poids du câble [G//m] 29,7 g Matériau (câble) Câble en cuivre, exposé Résistance (conducteur) max 57 O//km (20 °C) Ø fil rigide (conducteur) 0 1 mm Structure (conducteur) 42× 0,1 mm (fil multiconducteur de classe 6) Diamètre (conducteur) 3× 0,34 mm² AWG similaire à AWG 22 Matériau (isolation du fil) PP Propriétés du matériau (isolation du fil) Sans CFC, halogènes, cadmium, silicone et plomb Dureté Shore (isolation des fils) 70 ±5 D Ø du fil avec isolation 1 25 mm ±5% Couleur//nombre de fils ma, ne, bl Combinaison de fils 3 fils torsadés Blindage non Matériau (gaine) PUR Propriétés du matériau (gaine) Sans CFC, halogènes, cadmium, silicone et plomb, opaque, faible collant, facile à mettre en œuvre, résistant à l'abrasion, résistant à l'hydrolyse et aux microbes Dureté (revêtement) 90 ±5 A Ø extérieur (revêtement) 4 1 mm ±5% Couleur (revêtement) noir Chimique bonne résistance aux huiles, à l'essence et aux produits chimiques (EN 60811-404) Tension nominale 300 V AC Tension d'essai 2500 V AC Charge de courant selon DIN VDE 0298-4 Plage de température (fixe) -40 80 °C, ( 90 °C à max 10 000 heures de fonctionnement) Plage de température (mobile) -25 80 °C, ( 90 °C à max 10 000 heures de fonctionnement) rayon de courbure (fixe) 5× Ø extérieur Rayon de courbure (armoire) 10× Ø extérieur N de cycles ( chaîne porte-câble) max 10 Mio (25 °C) Vitesse (chaîne porte-câble) max 3 m//s Accélération (chaîne porte-câble) max 10 m//s² Contraintes de torsion ±180° //m N de cycles max 2 Mio (25 °C) Vitesse de torsion 35 cycles//min

