Murr elektronik 7000123816330500 m12 female angle with cable
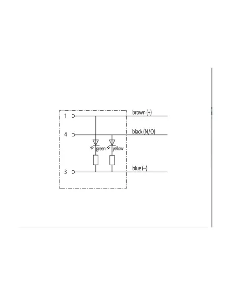
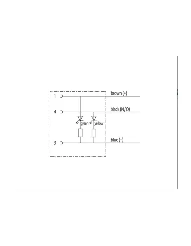
TECHNICAL DATA Operating voltage 24 V DC ±25% Operating voltage (UL listed only) 30 V DC Rated surge voltage 0 8 kV Operating current per contact max. 4 A Material group IEC 60664-1, category I Coding A-coded Indicator LED (yellow/green) Connector locking Thread (M12×1 mm) Tightening torque 0 6 Nm) Self-locking Cable gland M12 (SW13) Degree of protection IP65, IP66K, IP67 when plugged in and locked (EN 60529) Material PUR Locking device material Zinc die-cast, matt nickel-plated Suitable for sheath (internal Ø) 10 mm GENERAL DATA Standards DIN EN 61076-2-101 (M12) Type of fixing inserted, locked Material (terminals) Copper alloy Material (contact surface) Au Material (seal) FKM Pollution degree 3 Stripping length (jacket) 20 mm Temperature range -25 85 °C, depending on cable quality CABLES Cable identification 633 Cable type 3 (PUR) Certifications (cable) cURus (AWM-Style 20549//10493); CE compliant Cable weight [G//m] 29.7 g Material (wire) Copper wire, bare Resistance (conductor) max. 57 O//km (20 °C) Ø solid wire (conductor) 0 1 mm Structure (conductor) 42× 0 1 mm (multi-stranded strand class 6) Diameter (conductor) 3× 0 34 mm² AWG similar to AWG 22 Material (wire insulation) PP Material property (wire insulation) Free from CFCs, halogens, cadmium, silicone and lead Shore hardness (wire insulation) 70 ±5 D Ø wire incl. insulation 1 25 mm ±5% Color//number of wires ma, ne, bl Wire combination 3 stranded strands Shielding no Material (jacket) PUR Material property (jacket) Free from CFCs, halogens, cadmium, silicone and lead, matt, low adhesiveness, easy to process, abrasion resistant, resistant to hydrolysis and microbes Hardness (coating) 90 ±5 A Outer Ø (coating) 4 1 mm ±5% Colour (coating) black Chemical resistance good resistance to oils, petrol and chemicals (EN 60811-404) Rated voltage 300 V AC Test voltage 2500 V AC Current carrying capacity according to DIN VDE 0298-4 Temperature range (fixed) -40 80 °C, ( 90 °C at max. 10 000 operating hours) Temperature range (mobile) -25 80 °C, ( 90 °C at max. 10 000 operating hours) Bending radius (fixed) 5× outer Ø Bending radius (mobile) 10× outer Ø Number of cycles (cable chain) max. 10 Mio (25 °C) Speed (c cable carrier) max 3 m/s Acceleration (c cable carrier) max 10 m/s² Torsional stress ±180°/m N of cycles max 2 Mio (25 °C) Torsional speed 35 cycles/min

